Wheelchair automatic disabilities Wireless control of powered wheel chair with tongue motion Controlled tongue motion chair wheel tongue motion controlled wheelchair circuit diagram
Tongue motion controlled wheel chair | PDF
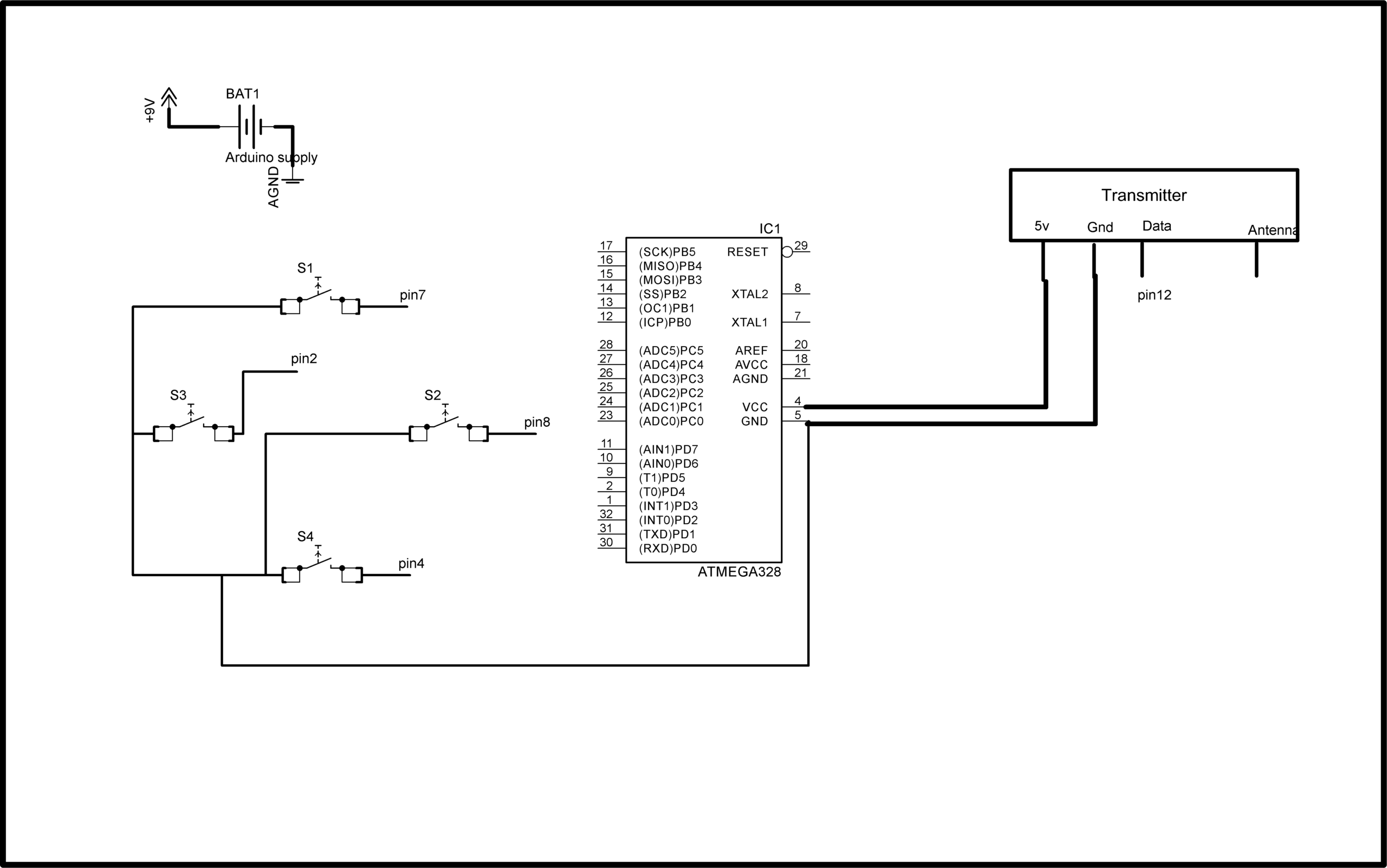
Wheelchair arduino controlled using tongue project [diagram] voice controlled wheelchair block diagram Tongue drive system
Tongue-controlled wheelchair helps paralyzed people move
Now you can control a wheelchair with the tip of your tongueWheelchair arduino Tongue controlled wheelchair using hall effect sensors & arduino[diagram] voice controlled wheelchair block diagram.
Tongue motion controlled wheel chair – student project guidanceTongue wheelchair piercing paralyzed maysam controlled lengua disanto teinteresa desarrollan controlar discapacitados navigation advocate langue fauteuil roulant outperforms gatech ruedas Tongue motion controlled wheel chairTongue controlled wheelchair using arduino and hall effect sensors.
![[DIAGRAM] Voice Controlled Wheelchair Block Diagram - MYDIAGRAM.ONLINE](https://i2.wp.com/www.seminarsonly.com/Engineering-Projects/Electronics/Brain Controlled Wheelchair.jpg)
Patent us8152188
Lengua wheelchair wheelchairs mouth piercing pierced tongues using mund retainer zungen gesteuerte maus commands operate device ruedas conducir silla computersTongue controlled wheelchair [diagram] voice controlled wheelchair block diagramBraun wheelchair lift wiring diagram⭐⭐⭐⭐⭐.
Controlled tongue chair wheel motion projects project electronics objectives includeTongue motion controlled wheel chair Tongue motion controlled wheelchair[diagram] voice controlled wheelchair block diagram.

Wheelchair arduino sensors
Voice & gesture controlled wheelchairWheelchair tongue control Patents wheelchair lever hand motion[diagram] voice controlled wheelchair block diagram.
(pdf) wheelchair operated by tongue motionBuy harmar mobility upgraded al500hd power wheelchair lift outside Figure 1 from inductive tongue control of powered wheelchairsTongue motion controlled wheel chair.

Wheelchair operated by tongue motion
Tongue motion controlled wheelchairWheelchair control by head motion Tongue controlled wheelchair using arduino and hall effect sensorsVoice recognition system circuit diagram.
Development of automatic wheelchair for all physical disabilitiesWheelchair control motion diagram block head theorycircuit [diagram] voice controlled wheelchair block diagramArduino project: tongue controlled wheelchair using hall effect sensors.

(pdf) design and implementation of an intelligent wheelchair controlled
[pdf] tongue operated wheelchair for physically disabled people .
.



![[DIAGRAM] Voice Controlled Wheelchair Block Diagram - MYDIAGRAM.ONLINE](https://i.pinimg.com/736x/a2/3e/84/a23e844da8051fa6d85424a824b6a8cc--circuit-diagram-chairs.jpg)



